- Latest News
-
How to Travel From Hong Kong to Shenzhen ?
How to Travel From Hong Kong to Shenzhen ? The best way to travel from Hong Kong to Shenzhen is by MTR subway. This connects the two cities directly a...1000 sets steel handrails ready packed and to be shipped to AMAZON warehouse in USA
We have recently finished production of 1000 sets of steel guarails / handrails of different deisgns /dimensions for outdoor use . These guardrail/han...Ready Stainless Steel Bollards for Shipping to UAE
Ready Stainless Steel Bollards for Shipping to UAE Diameter 114mm round stainless steel bollards with 3.4mm thickness Please contact us for more infor...Latest house glass railing project for canada
Check out the our latest house glass railing project for Canada . Round stainless steel glass railing post with 12mm thick clear tempered glass , top ...Loading containers for square type stainless steel handrails
Loading container for square stainless steel wall mounted handrails Brushed stainless steel durable finish for&ensp...
- Certifications
-
- Subscribe
-
Get email updates on new products
- Contact Us
-
Shenzhen Launch Co., Ltd Office add : 18Q , Nanyuanfengye Building, No. 1088 Nanshan Avenue, Nanshan Street, Nanshan District, Shenzhen, Postal code 518054
Contact Now
casting stainless steel glass door hinge for safe glass fencing system
- Material: stainless steel 316
- Finish: mirror/satin
- For glass thickness: 8-12mm
- 3 models: glass to glass hinge, glass to wall/square post hinge, glass to round post hinge
- Sample is available
3 model gate latch



Details
























--Can hold ≤ 20KG glass (1000x1000x8mm glass )
--Glass to round post hinge suit dia 50.8mm round post( Post drill hole size: dia 16mm )
G-G2 casting glass to glass hinge

G-R2 casting glass to round post hinge

G-W2 casting glass to square post/wall hinge

Details
Mirror finish



Satin finish



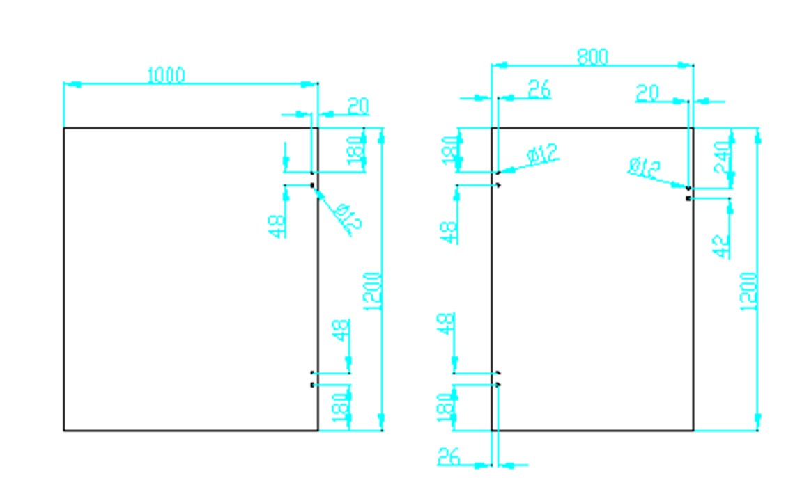
Drilled glass hole drawing

Project
Glass hinge is usually matched with glass spigot and glass latch



Glass door hinge for aluminum railing fence system




For more beautful pool fence project photos, go here
Packing & Delivery
One pc into one plastic bag, then into one box.




Factory & Certification





Thank you for visiting. Please do not hesitate to contact us for a quote.
Contact:
E: Doris
Skype:launch_04








